Mała elektrownia na biomasę w układzie powietrznego obiegu Braytona z regeneracją

Kocioł i turbosprężarka małej elektrowni na biomasę

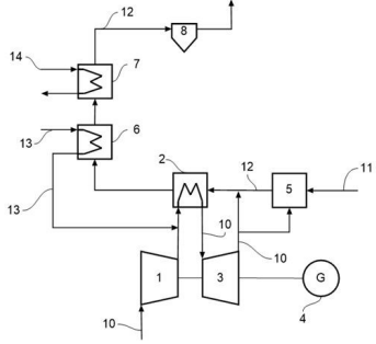
Ogólna charakterystyka

Mała elektrownia na biomasę (MEB), która została opracowana w ramach projektu POIR.04.01.04-00-0014/17 pt. „Uniwersalny Turbogazowy Układ Mikrokogeneracyjny”, przeznaczona jest dla odbiorców, którzy chcą mieć własne źródło prądu elektrycznego i ciepła, niezależne od warunków pogodowych, zasilane tanią biomasą. Oferowana moc elektryczna rzędu 30 kWe jest wystarczająca dla małych zakładów produkcyjnych, gospodarstw rolnych i większych budynków użyteczności publicznej. Działanie MEB rozpoczyna się od zasysania powietrza z otoczenia (10), które trafia do kompresora (1), gdzie jest sprężane do ciśnienia 3 barów. Następnie powietrze miesza się z podgrzaną wodą zdemineralizowaną (13), tworząc mieszaninę powietrza i pary wodnej. Mieszanina kierowana jest do wymiennika ciepła spaliny–powietrze (2), gdzie zostaje ogrzana do temperatury 800 °C przez gorące spaliny (12) z komory spalania (5). Rozgrzany gaz roboczy trafia następnie do turbiny (3), gdzie ulega rozprężeniu do 1bara i 600 °C, oddając energię mechaniczną, która napędza zarówno generator prądu (4), jak i sprężarkę (1). Po opuszczeniu turbiny, powietrze i para wodna wykorzystywane są jako utleniacz w komorze spalania (5), gdzie ulegają zmieszaniu z biomasą (11). Spaliny oddają swoje ciepło w wymienniku (2), a następnie przepływają kolejno przez podgrzewacz wody zdemineralizowanej (6) i podgrzewacz wody grzewczej (7), pozwalając na odzysk energii cieplnej w postaci gorącej wody użytkowej. Przed opuszczeniem układu spaliny są oczyszczane z cząstek stałych w elektrofiltrze (8), a następnie kierowane do komina.

Parametry techniczne i efektywność

Mała elektrownia na biomasę (MEB) przeznaczona jest dla odbiorców, którzy chcą mieć własne źródło energii elektrycznej i ciepła. Instalacja zużywa około 30 kg biomasy/godz., co odpowiada mocy cieplnej paliwa ok. 125 kW. Przy takim wydatku paliwa, układ jest w stanie wygenerować 30 kW mocy elektrycznej, co daje sprawność elektryczną rzędu 24%. Dodatkowo, dzięki kogeneracji, możliwe jest odzyskanie 80 kW ciepła, co znacząco zwiększa całkowitą efektywność i opłacalność energetyczną systemu.

Zalety rozwiązania

Na innowacyjność prezentowanego rozwiązania składa się kilka istotnych elementów:

  • Niska cena – MEB to prawdziwa elektrownia, na którą stać małego przedsiębiorcę.
  • Niezależność od pogody – w przeciwieństwie do fotowoltaiki i turbin wiatrowych, MEB jest stabilna i przewidywalna.
  • Tanie paliwo – MEB zasilana jest dostępną i niedrogą biomasą.
  • Powietrze jako czynnik roboczy – upraszcza konstrukcję systemu, ogranicza zużycie mediów pomocniczych i eliminuje ryzyko awarii związanych z obiegiem cieczy.
  • Prostota i kompaktowość technologii – mała liczba urządzeń pomocniczych i zwarta konstrukcja.
  • Polska konstrukcja – projekt i wszystkie elementy MEB powstały w polskich instytutach i przedsiębiorstwach.

Dane techniczne

  • Energia w paliwie – 125 kW
  • Sprawność wytwarzania prądu – 24%
  • Moc elektryczna – 30kW
  • Moc cieplna – 80 kW
  • Paliwo podstawowe – biomasa
  • Paliwo opcjonalne – węgiel, odpady
  • Wydatek paliwa – 30 kg/h
  • Czynnik roboczy – powietrze
  • Ciśnienie robocze – 3 bar
  • Temperatura gorącego powietrza – 800 °C

W dniu 5 maja 2021, Ultratech jako jedna z trzech firm w Polsce otrzymał nominację do nagrody Prezydenta Rzeczpospolitej Polskiej w kategorii Firma Rodzinna.

W dniu 15 listopada 2018, podczas uroczystej Galii Kongresu 590, Prezydent Rzeczpospolitej Polskiej uhonorował firmę Ultratech Nagrodą Gospodarczą w kategorii Lider MŚP. Nagrodę odebrał z rąk Prezydenta Wiceprezes Marek Bujny.